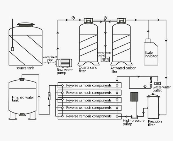
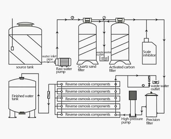
Принцип работы
Обратный осмос – это новая современная технология очистки чистой воды. Элемент обратного осмоса используется для улучшения чистоты воды и удаления примесей и солей, содержащихся в воде. Через обратноосмотическую мембрану мембрана с обеих сторон давление различное, при продавливании сырой воды через обратноосмотическую мембрану, концентрация соли будет низкой до концентрации соли в направлении проникновения, может достигать равновесного состояния, является осмотическим давлением жидкости. Когда давление на одной стороне соляного раствора содержит для другой стороны осмотическое давление, оно будет происходить в направлении, противоположном потоку, и происходит процесс обратного осмоса.


Оборудование обратного осмоса;
Скорость опреснения может достигать 99%, скорость опреснения первичной системы обратного осмоса может быть стабилизирована выше 90%, а скорость опреснения вторичной системы обратного осмоса может быть стабилизирована выше 98%.